MORE

PRODUCTS製品情報

SOLUTIONS事例紹介

DOWNLOADダウンロード

SUPPORTお客様サポート

COMPANY会社情報

製品ラインナップ

アクセサリ iSpeed3

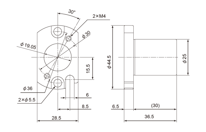
SL-19.05×25×6.5L スリーブ

コード番号7952
SL-19.05×25×6.5L

製品情報

種類
アクセサリ
寸法
内径 φ19.05mm / 外径 φ25mm
質量
85g
標準付属品
低頭六角穴付きボルト(M5×12): 2個
(スリーブ固定用)
搭載対象CNC自動旋盤
シチズンマシナリー株式会社製
A20, L12, L20, M16, など
付け替え可能回転工具
MSC507
適応モータスピンドル
BM-319F
外観図
取り付けイメージ

ダウンロード

掲載カタログ DXFデータ STEPデータ マニュアル

関連リンク

ダウンロードDOWNLOAD

取扱説明書/DXFデータ/STEPデータを
ご希望の方は下記にご入力ください